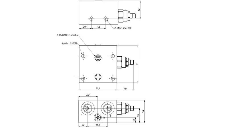
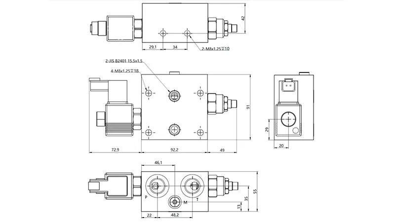
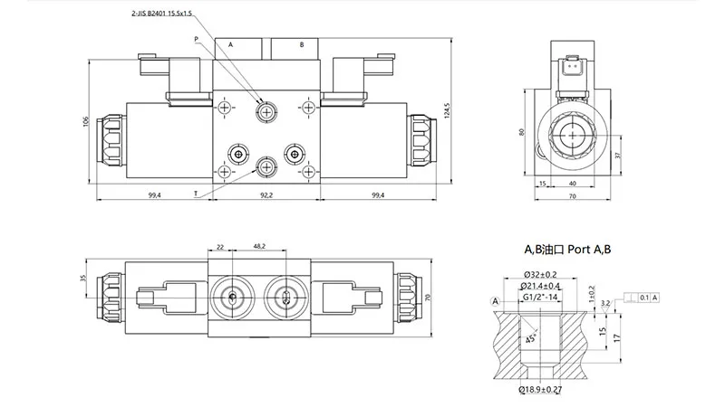
Válvula de control direccional seccional SMWV-10
Válvula de control hidráulica multidireccional para el control del flujo de fluidos en diversas máquinas industriales y agrícolas
Válvula de control direccional seccional SMWV-10
Válvula de control hidráulica multidireccional para el control del flujo de fluidos en diversas máquinas industriales y agrícolas
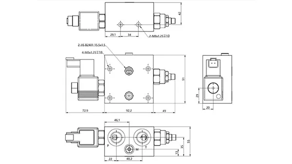
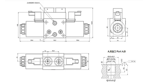
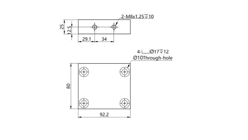
La válvula de control direccional seccional SMWV-010 está diseñada para sistemas hidráulicos de alta capacidad, proporcionando un control preciso del caudal de fluido para maquinaria más grande y potente. Al igual que las demás válvulas de la serie SMWV, utiliza un mecanismo de carrete electromagnético para una gestión precisa del caudal, pero está diseñada específicamente para manejar mayores caudales y cargas operativas más pesadas. El bloque de control incorpora un solenoide de CC de tipo húmedo, completamente sellado y aislado, que permite un movimiento suave de la armadura en aceite. Este diseño reduce el desgaste mecánico, suaviza el impacto hidráulico y mejora la disipación de calor, lo que resulta en un rendimiento de conmutación altamente confiable y una vida útil prolongada. Los canales de fluido internos de fundición minimizan la pérdida de presión y maximizan la eficiencia general, lo que facilita las operaciones hidráulicas de alta demanda.
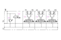
- Estructura modular y compacta que permite combinaciones multimódulo para un control hidráulico escalable.
- Diseño de bloqueo hidráulico integrado que simplifica los circuitos del sistema y garantiza un funcionamiento seguro y fiable.
- Baja pérdida de presión y alta eficiencia que reducen el consumo energético total de la maquinaria pesada.
| Presión nominal | 315bar |
| Caudal nominal | 80L/min |
| Rango de temperatura del fluido | -40℃~120℃ |
| Contamination Level | ISO 4406 CLASS 20/18/15 |
| Tratamiento de superficies | Niquelado |
| Rango de viscosidad del aceite | ISO 20~400mm²/s |
La válvula de control direccional seccional se utiliza comúnmente en maquinaria de cosecha, plataformas de trabajo aéreo y equipos de saneamiento que requieren un mayor manejo de flujo hidráulico:
- Maquinaria de cosecha (p. ej., cosechadoras): Gestiona sincronizadamente la altura de la mesa, la velocidad de rotación del tambor y los mecanismos de limpieza, adaptándose a los cambios de carga del campo.
- Plataformas aéreas de trabajo (p. ej., elevadores de pluma multietapa): Proporciona un control preciso de la extensión de la pluma multisección, la nivelación y la rotación de la plataforma para operaciones elevadas estables y seguras.
- Vehículos de saneamiento (p. ej., compactadores de basura): Coordina la elevación del contenedor, el movimiento de la placa compactadora y los controles del tanque de aguas residuales para un funcionamiento fluido y confiable.
























