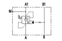
Válvula contrabalance única MCBS
Válvula contrabalance únicaMCBS
- Diseño modular con estructura compacta que ofrece un funcionamiento seguro y fiable
- Minimiza el impacto hidráulico durante la apertura y el cierre, manteniendo un control de presión estable
- Instalación flexible para adaptarse a una amplia gama de configuraciones de maquinaria y sistemas
Opciones de modelo
| Modelo | Presión | Flujo |
| Válvula contrabalance única MCBS-08 | 350bar | 40L/min |
| Válvula contrabalance única MCBS-10 | 350bar | 70L/min |
| Válvula contrabalance única MCBS-12 | 350bar | 110L/min |
Especificaciones
| Presión nominal | 350bar |
| Caudal nominal | 40L/min 70L/min 110L/min |
| Rango de temperatura del fluido | -30℃~100℃ |
| Rango de temperatura ambiente | -20℃~80℃ |
| Material del cuerpo de la válvula | Hierro fundido de alta resistencia (opcional: aleación de aluminio, acero al carbono) |
| Rango de viscosidad del aceite | ISO 20~400mm²/s |
Curva de rendimiento
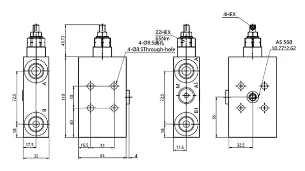
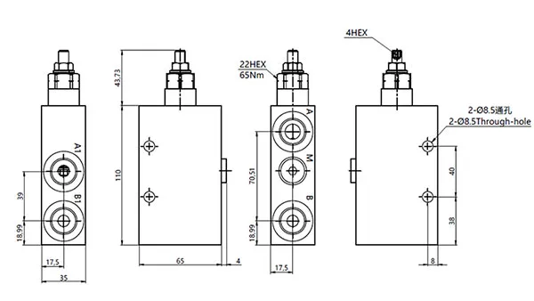
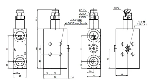
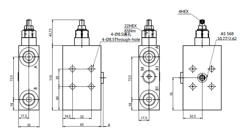
Planos de dimensiones de instalación
Aplicaciones
Nuestra válvula contrabalance única, diseñada para mantener la estabilidad de la carga y garantizar un movimiento suave del actuador, se utiliza ampliamente en:
- Motononiveladoras: Garantizan un movimiento estable y una posición segura de la hoja de la vertedera durante las operaciones de nivelación.
- Manipuladoras telescópicas: Evitan la inestabilidad o el bloqueo repentino de las patas estabilizadoras y las extensiones telescópicas, garantizando un movimiento seguro y constante.
- Plataformas aéreas de trabajo: Minimizan el movimiento no deseado de la pluma, evitando cambios erráticos durante la elevación, el telescopaje o la rotación para mejorar la seguridad del operador.
- Camiones bomba de pluma: Mantienen movimientos suaves y controlados de la pluma durante las operaciones de bombeo, evitando movimientos repentinos o inestables.


























