EPV Válvula contrabalance doble MCBS, montada en brida
Válvula de control y descenso de carga EPV, montada en brida
- Diseño modular con estructura compacta que proporciona un control de carga seguro y fiable
- Minimiza el impacto hidráulico durante la apertura y el cierre, garantizando un control constante de la presión
- Múltiples opciones de capacidad de caudal, adaptables a diferentes requisitos de instalación y tipos de equipos
- Cumple con la norma ISO 8643, lo que garantiza la seguridad y la compatibilidad en aplicaciones de excavadoras
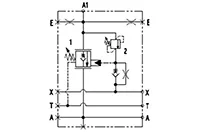
La válvula de control y descenso de carga, montada en brida, está diseñada para proporcionar un control de carga preciso y seguro para actuadores hidráulicos. En la dirección de flujo ascendente (A - A1), el aceite fluye libremente a través de una válvula check integrada hacia el cilindro hidráulico. En la dirección de flujo inverso (A1 - A), la sección de retención de la válvula bloquea o estrangula el movimiento del fluido, mientras que el carrete proporciona una regulación precisa del caudal durante la apertura. La válvula permanece normalmente cerrada y se controla remotamente mediante presión piloto, lo que garantiza una retención de carga estable, independientemente del peso de la misma.
Una válvula de alivio interna detecta continuamente la presión en el puerto A1 y se activa automáticamente en caso de carga excesiva o impacto para proteger el circuito hidráulico. Con la presión piloto adecuada, el carrete de la válvula se abre completamente, lo que permite una descarga suave y regulada de la presión del cilindro a través del puerto A y la válvula direccional principal. Este diseño garantiza una regulación precisa del movimiento, una protección fiable contra sobrecargas y una mayor seguridad operativa para aplicaciones de equipos móviles de servicio pesado.
| Modelo | Presión | Flujo |
| Válvula de control y descenso de carga EPV-12 (izquierda/derecha) | 350bar | 150L/min |
| Válvula de control y descenso de carga EPV-14 | 350bar | 250L/min |
| Válvula de control y descenso de carga EPV-16 | 350bar | 400L/min |
| Presión máxima de funcionamiento | 350bar |
| Relación de piloto | 1:0 |
| Rango de ajuste de presión de la válvula de equilibrio | 5-14bar |
| Rango de ajuste de presión de la válvula de desbordamiento | 200-400bar |
| Rango de temperatura del fluido | -20℃~120℃ |
| Rango de temperatura ambiente | -40℃~80℃ |
| Fluido hidráulico | Aceite mineral general (ISO 20~400mm²/s) |
Esta válvula de control y descenso de carga, a menudo denominada válvula antiexplosión, está diseñada para su uso en plumas, brazos, cucharones e implementos de excavadoras. Ayuda a mantener estables las cargas pesadas y evita movimientos repentinos e incontrolados durante la operación. Mejora la seguridad y la estabilidad operativa del equipo en entornos exigentes de construcción y excavación:
- Evita que la pluma se caiga inesperadamente debido a la rotura de la línea hidráulica o fugas en el carrete.
- Protege el brazo de la retracción o extensión repentina causada por fuerzas externas o fugas hidráulicas.
- Evita que el cucharón se incline accidentalmente debido a cambios repentinos de carga o fallas en las mangueras.
- Evita que los martillos hidráulicos y otros accesorios se aflojen o rompan las mangueras por impacto, evitando la extensión o retracción repentina del vástago del pistón.





















